| Status de disponibilidade: | |
|---|---|
UNMS-U90D
UNICOMP
UNMS-U90D é uma fonte de raio-X de microfoco microfoco de 90kv de pequeno volume integrado com catodetecnologia quente, tamanho pequeno do ponto focal, alta ampliação e emissão de raios-X estável. Ele pode penetrar em componentes eletrônicos, PCBs, placas de circuito de montagem, células de bateria, etc. e obter imagens de estrutura interna clara e de alta qualidade.
Parâmetro -chave
Máx. Tensão do tubo: 90kV
Máx. Poder do tubo: 8w
Min. Tamanho do ponto: ≤5μm
Ângulo do feixe: 45 ± 3 °
Aplicações
PCB e dispositivo semicondutor
SMT, fabricação eletrônica PCBA
Chicote de arame e conector
Bateria do consumidor 3C
Especificações
| Faixa de tensão de tubo operacional | 20-90KV |
| Faixa de corrente do tubo operacional | 0-180μA |
| Potência máxima do tubo | 8w |
| Tensão de entrada (DC) | 25 ± 0,5V |
| Consumo de energia | < 35W |
| Material da janela/espessura | Ser/0,1mm |
| Diâmetro da janela | 8mm |
| Ângulo do feixe | 45 ° ± 3 ° |
| Material alvo | Tungstênio |
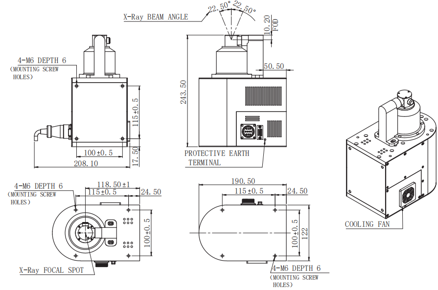
| Fod | 10,2 ± 0,2 mm |
| Peso | Aprox. 5,5 kg |
| Intertravamento em segurança | Curto-circuito externo |
| Conexão de controle | Controle digital |
| Modo de operação | Contínuo |
Imagens de raio X.
Pegada
UNMS-U90D é uma fonte de raio-X de microfoco microfoco de 90kv de pequeno volume integrado com catodetecnologia quente, tamanho pequeno do ponto focal, alta ampliação e emissão de raios-X estável. Ele pode penetrar em componentes eletrônicos, PCBs, placas de circuito de montagem, células de bateria, etc. e obter imagens de estrutura interna clara e de alta qualidade.
Parâmetro -chave
Máx. Tensão do tubo: 90kV
Máx. Poder do tubo: 8w
Min. Tamanho do ponto: ≤5μm
Ângulo do feixe: 45 ± 3 °
Aplicações
PCB e dispositivo semicondutor
SMT, fabricação eletrônica PCBA
Chicote de arame e conector
Bateria do consumidor 3C
Especificações
| Faixa de tensão de tubo operacional | 20-90KV |
| Faixa de corrente do tubo operacional | 0-180μA |
| Potência máxima do tubo | 8w |
| Tensão de entrada (DC) | 25 ± 0,5V |
| Consumo de energia | < 35W |
| Material da janela/espessura | Ser/0,1mm |
| Diâmetro da janela | 8mm |
| Ângulo do feixe | 45 ° ± 3 ° |
| Material alvo | Tungstênio |
| Fod | 10,2 ± 0,2 mm |
| Peso | Aprox. 5,5 kg |
| Intertravamento em segurança | Curto-circuito externo |
| Conexão de controle | Controle digital |
| Modo de operação | Contínuo |
Imagens de raio X.
Pegada