Você está aqui: Lar » Produtos » Fonte de Raios-X » Fonte de raios X de 150kv Microfocus

Detalhes do produto

loading

Fonte de raios X de 150kv Microfocus

UNMS-U150B é uma fonte de raio-X de microfoco de 150 kV de 150 kV, usando tecnologia de cátodo quente, controle digital e 100% de matérias-primas domésticas.
Possui as vantagens do pequeno tamanho do ponto focal, alta ampliação, emissão estável de raios-X, maior potência de saída e forte capacidade de penetração. É muito adequado para aplicações de imagem com alta resolução e alta penetração.
Status de disponibilidade:
  • UNMS-U150B

  • UNICOMP

UNMS-U150B é uma fonte de raios-X de microfoco de 150 kV de 150 kV usando tecnologia de cátodo quente, controle digital e 100% de matérias-primas domésticas.


Parâmetro -chave

  • Máx. Tensão do tubo: 150kV

  • Máx. Poder do tubo: 60w

  • Min. Tamanho do ponto: ≤7μm

  • Ângulo do feixe: 100 ± 3 °


Aplicações

  • Pacote de circuito integrado

  • SMT, fabricação eletrônica PCBA

  • Substrato / módulo IGBT

  • Bateria EV


Especificação


Faixa de tensão de tubo operacional 40-150 KV
Faixa de corrente do tubo operacional 0-400 μA
Potência máxima do tubo 60W
Tensão de entrada (DC) 48 ± 0,5V
Consumo de energia Menos de 150w
Material da janela/espessura Ser/0,51 mm
Diâmetro da janela 38 mm
Ângulo do feixe 100 ± 3 °
Material alvo Tungstênio
Fod 12 ± 0,5 mm
Peso Aprox. 15 kg
Intertravamento em segurança Curto-circuito externo
Conexão de controle Controle digital
Modo de operação Contínuo



Imagens de raios-X


150KV 2-150KV 3-150KV


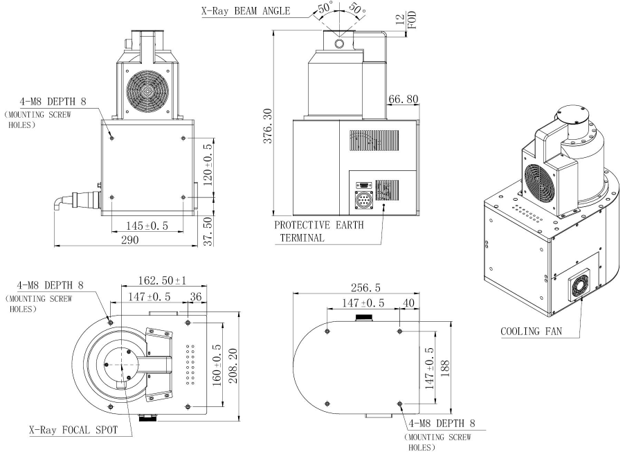
Pegada


三视图 150kV

em um: 
sob um: 
Contate-Nos
SOLUÇÕES PROFISSIONAIS PARA VOCÊ

Unicomp | Raio XInspeção

Deixar mensagem
Contate-Nos

LINKS RÁPIDOS

CATEGORIA DE PRODUTOS

CONTATE-NOS

+ 86-755-8527-1589(Expediente)
info@global-xray.com
 Edifício A, Bangkai Science & Technology Park Industrial, No. 9 Bangkai Road, Parque Industrial de Hi-Tech, Guangming New District, Shenzhen, China
Zip-Code: 518107
direito autoral 2021 Unicomp Technology Co., Ltd. Todos os direitos reservados www.unicomp.cn www.unicompxray.com